Incremental Rotary Encoders 50 mm Diameter
Product Details
FEATURES
•Ø 50 mm housing, Ø 8 mm solid shaft
•Accurate measurement of angle, position, revolution, speed, acceleration, and
distance
•Cable type, cable connector type, axial / radial connector types available
•Various resolutions: 1 to 8000 pulses per revolution
•Various control output options
•Power supply: 5 VDCᜡ ± 5%, 12 - 24 VDCᜡ ± 5%
PRODUCT COMPONENTS
•Product
•Instruction manual
•Bolt × 7
•Coupling × 1
•Bracket × 1
Main Features
High Resolution: Provides a variety of pulse output options to ensure accurate angle measurement and position feedback for applications requiring high-precision control.
Durable Design: Made of high-quality materials, it has good shock resistance and anti-interference ability, and can adapt to harsh working environment.
Easy to install: Simple design and equipped with standard interfaces, convenient for connection with various control systems and equipment, reducing installation time and cost.
Widely used: Widely used in automation equipment, robots, CNC machine tools, conveying systems and other fields to meet the needs of different customers.
Multiple output formats: Supports multiple output signals (such as TTL, HTL, etc.), which can be customized according to customer needs to ensure compatibility with existing systems.
Whether in industrial automation, machine control or other precision measurement fields, our incremental rotary encoders can provide you with reliable performance and excellent accuracy, making them your ideal choice.
SPECIFICATIONS
|
Model |
E50S8-□-□-T-□-□ |
E50S8-□-□-N-□-□ |
E50S8-□-□-V-□-□ |
E50S8-□-□-L-□-□ |
|
Resolution |
1 / 2 / 5 PPR01) 10 to 8,000 PPR model |
|||
|
Control output |
Totem pole output |
NPN open collector output |
Voltage output |
Line driver output |
|
Output phase |
A, B,Z |
A, B,Z |
A,B,Z |
A,A B, B,z,Z |
|
Inflow current |
≤30mA |
≤30 mA |
- |
≤20mA |
|
Residual voltage |
≤0.4VDC⎓ |
≤0.4VDC⎓ |
≤0.4VDC⎓ |
≤0.5VDC⎓ |
|
Outflow current |
≤10mA |
- |
10 mA |
≤-20mA |
|
Output voltage(5VDC⎓) |
≥(power supply-2.0) VDC⎓ |
- |
- |
≥2.5VDC⎓ |
|
Output voltage(12-24VDC⎓) |
≥ (power supply-3.0)VDC⎓ |
- |
- |
≥ (power supply -3.0)VDC⎓ |
|
Response speed02) |
≤1μs |
≤ 0.5μs |
||
|
Max. response freq. |
300 kHz |
|||
|
Max. allowable revolution03) |
5,000 rpm |
|||
|
Approval |
CE ERC |
CE ERC |
CE ERC |
ERC |
01) Depending on the control ouput, only A, B or A, A, B, B are output.
02) Based on cable length: 2 m, I sink: 20 mA
03) Select resolution to satisfy Max. allowable revolution ≥ Max. response revolution
[max. response revolution (rpm) = max. response frequency/resolution × 60 sec]
|
Connection |
Axial cable type |
Axial cable connector type |
Axial connector type |
Radial connector type |
|
Starting torque |
0.007 Nm |
0.078Nm |
||
|
Inertia moment |
≤80g·cm2 (8x10-6kg.m2) |
≤400g·cm2 (4 X 10-5kg.m2) |
||
|
Allowable shaft load |
Radial: ≤10kgf, Thrust: ≤2.5 kgf |
|||
|
Unit weight (packaged) |
≈275g(≈363g) |
180g(≈ 268g) |
||
|
Power supply |
5 VDC⎓±5% (ripple P-P: ≤5%) / |
|
Current consumption |
Totempole, NPN open collector, Voltage output: ≤80 mA (no load) |
|
Insulation resistance |
Between all terminals and case: ≥ 100 MΩ (500 VDC⎓ megger) |
|
Dielectric strength |
Between all terminals and case: 750 VAC⎓ 50 / 60 Hz for 1 minute |
|
Vibration |
1 mm double amplitude at frequency 10 to 55 Hz (for 1 minute) in each X, Y, Z direction for 2 hours |
|
Shock |
≲ 75 G |
|
Ambient temp. |
-10 to 70 ℃, storage: -25 to 85 ℃ (no freezing or condensation) |
|
Ambient humi. |
35 to 85%RH, storage: 35 to 90%RH (no freezing or condensation) |
|
Protection rating |
Axial cable type / cable connector type: IP50 (IEC standard) 01) |
|
Cable spec. |
Ø 5mm, 5-wire (Line driver output: 8-wire), shield cable |
|
Wire spec. |
AWG24 (0.08 mm, 40-core), insulator diameter: Ø 1 mm |
|
Connector spec. |
Totempole, NPN open collector, Voltage output: M17 6-pin socket type |
01) Protection structure IP64 option is also available to order.
(starting torque: ≤ 0.078Nm, inertia moment: ≤ 400 g·cm2 (4×10-5 kg·m2))
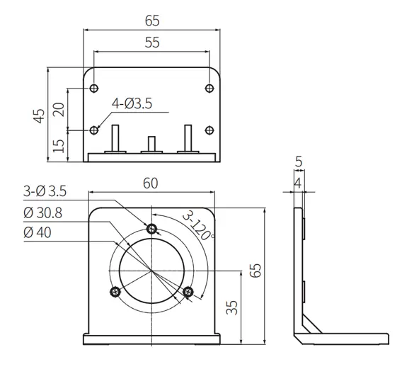
DIMENSIONS

BRACKET

COUPLING

•Parallel misalignment: ≤ 0.25 mm
•Angular misalignment: ≤ 5°
•End-play: ≤ 0.5 mm






