Phase Angle control SSRs(4-20ma,0-10v)
Product Details
Detailed Picture
FEATURES
1.Multiple control modes: Supports 0-10V and 4-20mA input signals. Users can flexibly choose the control mode according to actual needs to ensure compatibility with existing systems.
2.Rated current range: Provides rated current options from 10A to 120A to meet the current requirements of different application scenarios, suitable for a wide range of applications from small equipment to large industrial equipment.
3.Built-in RC circuit: The integrated RC circuit design effectively reduces power supply noise, improves system stability and response speed, and ensures the smoothness of the output signal.
4.Excellent linear output: The regulator provides excellent linear output characteristics, ensuring the linear relationship between output current and control signal in the entire operating range, improving control accuracy.
5.High reliability: The use of high-quality materials and advanced manufacturing technology ensures the high reliability of the equipment in various working environments and adapts to harsh industrial conditions.
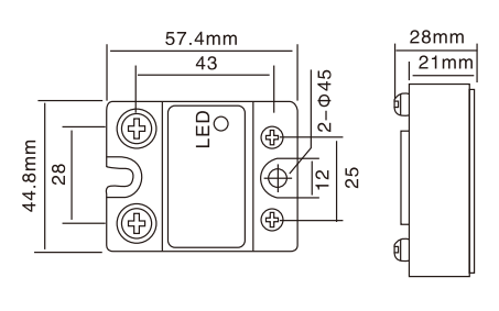
DIMENSIONS

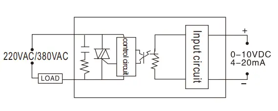
WIRING DIAGRAM

PRECAUTIONS
1.It can be used with intelligent PID temperature controller.
2.The output voltage 380V needs to be customized.
3.A radiator must be installed for a load above 10A, and forced cooling by a fan or water for a load above 40A.
4.If it is used to regulate transformer, please use the KDTY seriesall isolated AC voltage regulator module.
Our single-phase solid-state power conditioner is a high-performance power control device designed for industrial automation and process control applications. The regulator supports 4-20mA and 0-10V input signals and can accurately adjust the output voltage and current to meet various load requirements. It is your ideal choice for efficient and stable power management, helping your devices and systems perform well in various applications.
PARAMETER TABLE
| TYPES | KSCR-138¨LA | KSCR-138¨VD |
| INPUT | ||
| Input signal | Current input: 4-20mA | Voltage input: 0-10VDC |
| OUTPUT | ||
| Load voltage | 0-220VAC,0-380VAC | |
| Load current | 10A,25A,40A,50A,60A,80A,100A,120A | |
| Max. off-state leakage current | 2mA | |
| Max. on-state voltage drop | 1.5V | |
| GENERAL | ||
| Length * Width * Height(mm) | 57.4L*44.8W*28H | |
| Weight(approx.) | 100g | |
| Dielectric strength (input,output to base) | 2500VAC | |
| Operating temperature | -20℃~80℃ | |
| Certification | CE | |




















