0102030405
SSR-P Series PCB Type Solid State Module (SSR)
Product Details
Detailed Picture
SPECIFICATIONS
| INPUT | KSSR-P124口DA | KSSR-P122口DD |
| Control voltage range | 3-32VDC | |
| Max input current | 6-35mA | |
| Must turn-on voltage | 3.5VDC | |
| Must turn-off voltage | 1.5VDC | |
| OUTPUT | ||
| Load voltage | 220VAC,380VAC | 60VDC,110VDC,220VDC |
| Max load current | 1A.2A.3A.4A.5A.6A.7A | |
| Off-state leakage current | <1.5mA | |
| On-state voltage drop | ≦1.5V | |
| GENERAL | ||
| Dielectric strength | 2500V | |
| Operating temperature | -20℃-70℃ | |
| Certificate | CE | |
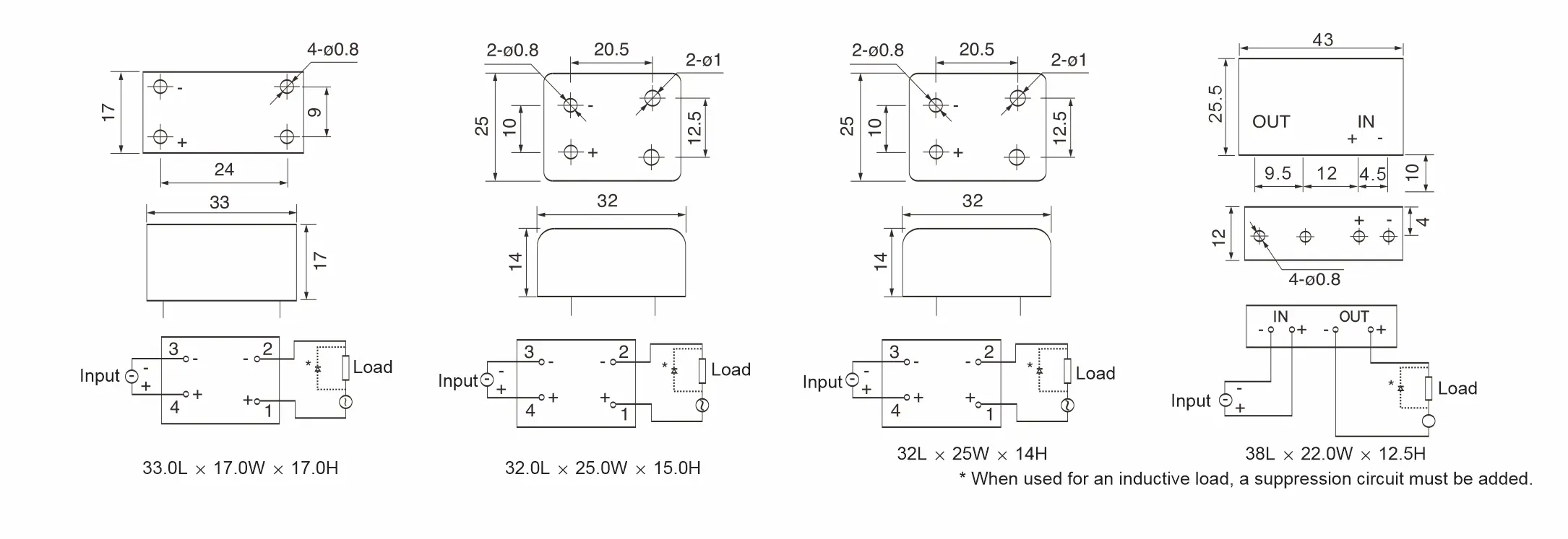
OUTLINE DIMENSIONS

PRECAUTIONS:
1.For relay welding, the welding time should not exceed 10 seconds at 260'c, not exceed 5 seconds at 350℃.
2.When wiring the relay, make sure that the polarity of the input terminal is correct, so as not to damage the relay.
3.The heat sink is built-in, if the heat dissipation regulation is poor.the output load current should be derated.
4.lf the transient voltage at both ends of the relay exceeds thenominal value,a varistor should be connected in parallel at the output end of the relay to prevent the relay from being broken dow.






