Three phase solid state relay
Product Details
Detailed Picture
FEATERES
1. Rated current: 10-120A
2. Built-in RC
3. With LED indicator
4. High dielectric strength up to 4000V
5. High isolation strength 1000Ω/500VDC
6. Zero cross or random turn-on
7. DC or AC control
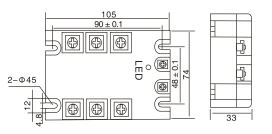
DIMENSIONS

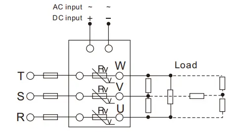
WIRING DIAGRAM

PRECAUTIONS
Notes on Solid State Relays (SSRs) Handling High Inrush Current
1.If the load may generate high inrush current (such as light bulbs, etc.), please make sure the SSR can withstand the inrush current.
When selecting a solid-state relay, it is crucial to understand the characteristics of the load. Some loads (such as incandescent lamps, motors, etc.) will generate a transient surge current when starting, which may be several times the normal operating current. Make sure that the rated surge current of the selected SSR is higher than the surge current of the load to avoid overloading and damage to the SSR. Check the product specification to confirm the surge current withstand capacity of the SSR and select the appropriate model according to the actual application.
2.If the surge current exceeds the range, a fast fuse must be connected at the output.
To protect the SSR from excessive surge current, it is recommended to install a fast-acting fuse at the output. Fast-acting fuses can cut off the current in a short time to prevent overload conditions from damaging the SSR. When selecting a fuse, make sure its rated current and response time are suitable for your application so that it can cut off the power supply in time when a surge current occurs to protect the equipment.
3.If the instantaneous voltage exceeds the range, a varistor must be connected in parallel at the output end. A 750V varistor is recommended.
Transient voltages (such as grid fluctuations or lightning strikes) can damage SSRs, so connecting a varistor in parallel with the output is an effective protection measure. The varistor can quickly turn on when the voltage exceeds its rated value, thereby conducting the excess voltage to the ground and protecting the SSR and its load. A 750V varistor is recommended to ensure adequate protection in most industrial applications to prevent transient voltages from damaging the equipment.
PARAMETER TABLE
| TYPES | KSSR-348¨DA | KSSR-348¨AA |
| INPUT | ||
| Input voltage range | 3-32VDC | 70-280VAC |
| Max input current | 40mA | 15mA |
| Turn on voltage | 4VDC | 70VAC |
| Turn off voltage | 2.7VDC | 50VAC |
| OUTPUT | ||
| Load voltage range | 24-480VAC | |
| Peak voltage | 1000V | |
| Load current | 10A,25A,40A,50A,60A,80A,100A,120A | |
| Max off-state leakage current | ≤8mA | |
| Max on-state voltage drop | 1.5V | |
| GENERAL | ||
| Length * Width * Height(mm) | 105L*74W*33H | |
| Weight(approx.) | 360g | |
| Dielectric strength (input to output) | 4000Vac | |
| Dielectric strength (input,output to base) | 2500Vac | |
| Operating temperature | -20℃~80℃ | |
| Certification | CE | |






















